No.25606

材持ち全加工見積もり

[ 登録日 2017-09-29 ]

この案件は掲載期限を過ぎています。

募集中の案件をお探しの方はこちら

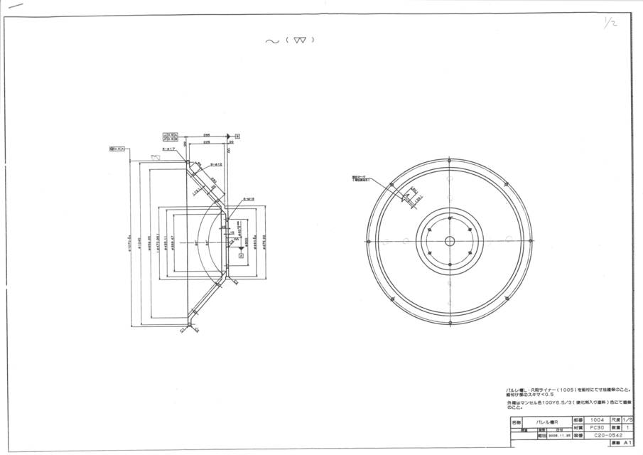
仕様、特徴 2点FC30は鋳物で発砲型で見積もりしてください。
加工・発砲型分けて見積りください。各3個試作です。
1点SS40C鉄材から加工してください。3点を組み合わせて
3セット組立します。溶接で固定します。
先に部品加工までを見積もってください。組図を催促しております。
材料、加工、塗装、組付け、運送まで

画像クリックで拡大表示

画像クリックで拡大表示

画像クリックで拡大表示

案件詳細

製品形態 スポット スポット 発注分野 機械加工 
材質 FC30,SS400  数量 1式 
納入先 日本 / 愛知県 納期 2025-12-26 
応募期限 2017-10-03 08時  支払条件 弊社条件による  
重要とする要素 コスト 
希望価格

希望価格備考

 円

発注者情報

発注者属性 エミダス・無料 エミダス・無料
会社名 この情報はエミダス有料会員様のみご覧いただけます。
担当者名 この情報はエミダス有料会員様のみご覧いただけます。

新規会員登録