No.25415

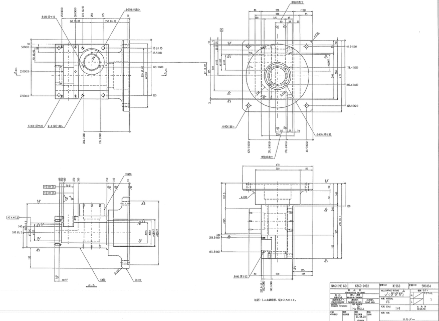
フライス加工

[ 登録日 2017-03-07 ]

この案件は掲載期限を過ぎています。

募集中の案件をお探しの方はこちら

仕様、特徴 ①溶接加工+焼鈍+機械加工
②機械加工(削り出し)
①②どちらでも可
見積もりをお願いします。
詳しい図面は、応募の後メールにてお送りいたします。

画像クリックで拡大表示

画像クリックで拡大表示

案件詳細

製品形態 スポット スポット 発注分野 機械加工 
材質 S45C  数量 9点 
納入先 日本 / 愛知県 納期 2026-02-14 
応募期限 2017-03-17 14時  支払条件 検収後即時払い  
重要とする要素 納期 
希望価格

希望価格備考

 円

発注者情報

発注者属性 エミダス・プロライト エミダス・プロライト
会社名 この情報はエミダス有料会員様のみご覧いただけます。
担当者名 この情報はエミダス有料会員様のみご覧いただけます。

新規会員登録